Welcome to the Cadillac XLR Forums!

ccclarke's latest activity

  • C
    ccclarke replied to the thread Clicks behind dash.
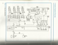
    There is only one BCM. The drawing illustrates two circuits with the BCM pinouts for brevity. When you remove the lower steering wheel...
  • C
    ccclarke replied to the thread Clicks behind dash.
    Using this schematic, note that the ignition switch is basically a mode select switch that communicates with the Body Control Module...
    • Pg 3-2.jpg
  • C
    ccclarke replied to the thread Clicks behind dash.
    If you're driving along and the switch mode select randomly occurs, one distinct possibility is a bad ignition switch. (I don't know...
  • C
    ccclarke replied to the thread Clicks behind dash.
    Rather than place the ignition switch on a shaker table and test it for continuity while simulating road bumps, I'd just replace the...
Back
Top Bottom